Tay nắm gạt có lò xo
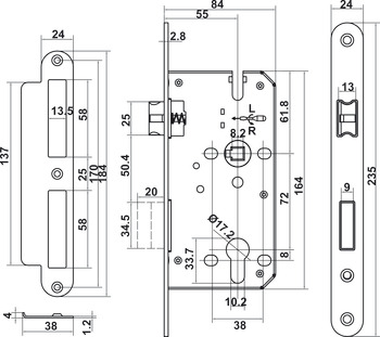
Khoảng cách từ tâm thân khóa đến trung tâm là 72 mm và chiều sâu lắp đặt 55 mm với chốt có thể điều chỉnh
Ruột khóa với hệ thống chìa khóa 5 chốt, chiều dài 70 mm có núm xoay hình bầu dục
Độ dày cửa : 45 – 50 mm
Trọn bộ gồm : Cung cấp bộ đầy đủ bao gồm tay nắm gạt, thân khóa và ruột khóa
.jpg)


